SN系列锥齿轮升降机

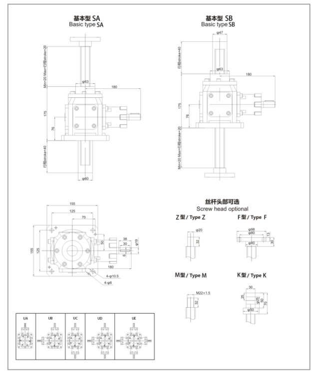
SNL丝杆升降机与蜗轮丝杆升降机相比主要特点为使用效率高,容易调整减速比,同时具有安装使用方便,体积小 重量轻 动力源广泛 无噪音 功能多 可靠性高等特点。该系列产品具有自锁功能,能按程序准确的控制调整提升或推进高度。结构形式多样,提升高度可根据用户要求制造.
此款升降机通过转角方式使基板同步升降,并用四点运动串连及六点运动串连和十二点运动串连,使基板高度降低,减少运动上的误差,同时,平面升降更能直接迅速达到效能,节省使用空间,提高产量,品质稳定性更高。

上一条:没有了

下一条:没有了

SNL丝杆升降机与蜗轮丝杆升降机相比主要特点为使用效率高,容易调整减速比,同时具有安装使用方便,体积小 重量轻 动力源广泛 无噪音 功能多 可靠性高等特点。该系列产品具有自锁功能,能按程序准确的控制调整提升或推进高度。结构形式多样,提升高度可根据用户要求制造.
此款升降机通过转角方式使基板同步升降,并用四点运动串连及六点运动串连和十二点运动串连,使基板高度降低,减少运动上的误差,同时,平面升降更能直接迅速达到效能,节省使用空间,提高产量,品质稳定性更高。
SNB丝杆升降机,特性为滚珠螺母置于壳体内,使用滚珠螺杆和螺母,由淬硬合金钢制成,带着螺母和丝杆之间的负载。这种滚动动作可以减少螺母和丝杆之间的摩擦,从而使负载平稳地移动。由于工作效率和滚动性能的提高,与普通梯形丝杆升降机相比,滚珠丝杆可以在更高的速度或更大的工作周期内进行操作。
高精密丝杆升降机,适应于不锈钢精密制板晶片等面板厂行业。可节省空间,并提升高精密度高速度能大大提高产量。
TOP