如何计算丝杆升降机的升降速度
选择升降机时不论静载、动载、冲击载荷均不得超过其允许承受的最大载荷,根据安全系数、使用行程、校对丝杆的稳定性,选择具有充分容量的升降机。
一定要注意丝杆轴转速与承受的载荷进行搭配,对于升降机的容许最大载荷、容许外加负载、容许丝杆轴的旋转速度等项目进行校验,如果超过产品的数据将会造成升降机设备整体的重大损伤
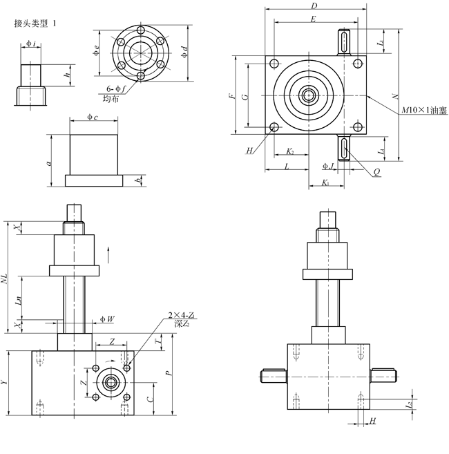
丝杆升降机是一种基础起重部件,符合JB/T8809—1998(原JB/ZQ4391—86)标准。承载能力2.5—120T。具有结构紧凑、体积小、重量轻、动力源广泛、噪音小、安装方便、使用灵活、功能多、配套形式多、可靠性高、使用寿命长等优点。丝杆升降机是一种具有起升、下降及借助辅件推进、翻转及各种高度位置调整等功能的基础起重部件,本品广泛用于机械、冶金、建筑、化工、医疗、文化卫生等各个行业。
很多客户电话咨询丝杆升降机的提升高度的计算方法。今天我们给大家讲解一下,希望能帮到大家。对大家以后有个帮助。
(本文适用于:JWB滚珠丝杠升降机,SWL丝杆升降机,MA螺旋丝杆升降机,QWL丝杆升降机,SJ螺旋丝杠升降机,JWM丝杠升降机,SJA螺旋丝杠升降机,SL锥齿轮丝杠升降机,)
螺旋升降机有快速P、慢速M两种速度,这是由蜗轮蜗杆传动比决定的。
以SWL2.5丝杆升降机为例
假定
快速SWL丝杆升降机,速比为6:1
慢速SWL螺旋升降机,速比为24:1
同时丝杆的螺纹尺寸(即螺距)是固定的
计算升降速度的重要参数----螺距
SWL2.5的螺距为6mm,那么以4P普通电机来计算(4极输出转速1450r/min).
当丝杆升降机
快速时升降速度:1450输入转速÷6速比×6mm螺距=1450mm/min
慢速时升降速度:1450输入转速+24速比×6mm螺距=362mm/min
当丝杆升降机行程为500mm,走完全程所需要时间为:
快速时:500mm:(1450mm/60s)=20.7s
慢速时:500mm÷(362mm/60s)=83s
慢速时:500mm÷(362mm/60s)=83s



- 上一条丝杆升降机电机无法运行是什么原因?
- 下一条梯形升降机的工作原理

24小时服务热线